内容摘要:为你详细解读乙级市政设计资质承包范围相关指标说明,并附带市政行业建设项目设计规模划分表,供你参考,对市政设计行业和专业的区别进行说明。..
发布时间:2022-01-12 11:11:14 热度:4516
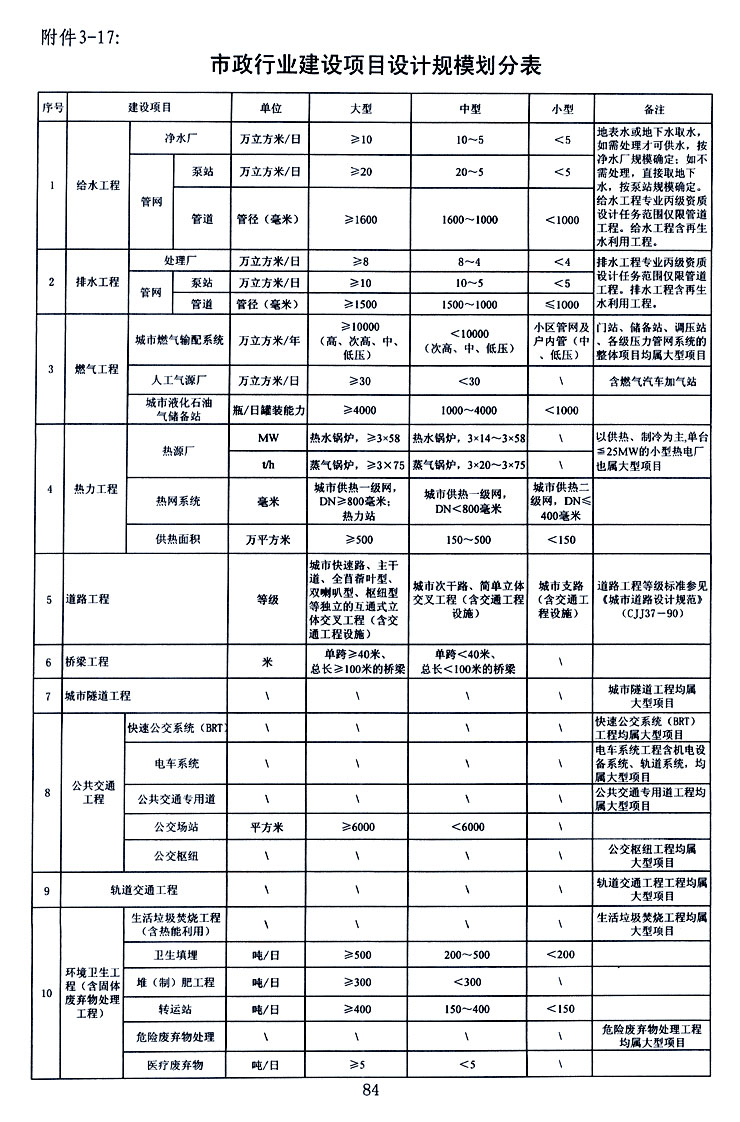
虽然乙级市政设计资质运用十分广泛,但很多企业或者个人根本不知道具体可以承包哪些工程设计项目,想要得到准确的数值范围,需要查阅工程设计资质标准中规定的数据,为了便于大家查阅,资质达人小编为你整理乙级市政设计资质承包范围相关知识,并附以详细的说明,只有充分了解乙级市政设计资质承担的规模,才能在投标的时候,不走弯路。

地址:

地址:重庆市九龙坡区龙泉路68号3幢6-7

地址:西藏自治区拉萨市城关区天峰祥和苑4栋2单元602

地址:广州市天河区车陂街道办宦溪西路12号 万富商业大厦一区A栋306

地址:淄博市桓台县商城帝城商务中心206室

地址:上海市杨浦区四平路1388号同济联合广场C楼402